公司首页
关于南洋
公司简介
售后服务
企业文化
产品中心
高压开关柜
低压开关柜
配电箱
电表箱
动力柜
自动化PLC柜
机柜
控制箱
消防柜
弱电箱
资质证书
工程案例
新闻中心
联系我们
JXF系列控制箱
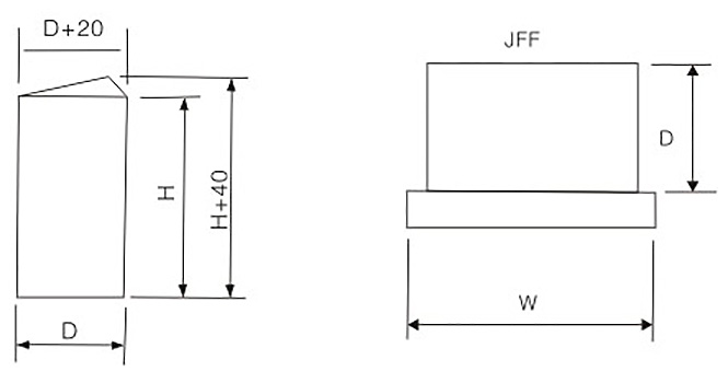
JXF分为明装和暗装两种,JFF分为金属门和透视窗门两种。门板贴有密封橡皮条,防止雨水渗入。箱体配备有上下进出线孔和安装底板,进出线孔出厂时已加装密封板,门开启角大于90度。JXF、JFF各有25种规格,JFF2有18种规格(规格从大于5040/14起)。
产品详情
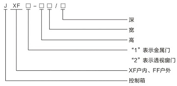
型号及含义
结构特点
JXF分为明装和暗装两种,JFF分为金属门和透视窗门两种。门板贴有密封橡皮条,防止雨水渗入。箱体配备有上下进出线孔和安装底板,进出线孔出厂时已加装密封板,门开启角大于90度。JXF、JFF各有25种规格,JFF2有18种规格(规格从大于5040/14起)。
没有了
返回列表
NYXF系列控制箱