公司首页
关于南洋
公司简介
售后服务
企业文化
产品中心
高压开关柜
低压开关柜
配电箱
电表箱
动力柜
自动化PLC柜
机柜
控制箱
消防柜
弱电箱
资质证书
工程案例
新闻中心
联系我们
NYB-1变压器保护开关箱
NYB-1变压器保护开关箱适用于交流50Hz,额定电压为380V,额定电流至630A的配电网络中,用作户外式公用配电变压器二次侧的过载、短路保护,也可在正常情况下用不频繁分断和电路之用。
产品详情
概述
NYB-1变压器保护开关箱适用于交流50Hz,额定电压为380V,额定电流至630A的配电网络中,用作户外式公用配电变压器二次侧的过载、短路保护,也可在正常情况下用不频繁分断和电路之用。
主要技术参数
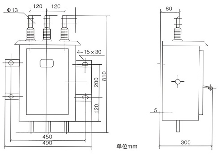
外形尺寸与安装尺寸
JP系列综合配电箱(补偿/控制/终端/照明)
返回列表
JX配电箱